Facebook
  • High-temperature Resistant Air-water Cooled Thermal lmaging Camera
  • High-temperature Resistant Air-water Cooled Thermal lmaging Camera

High-temperature Resistant Air-water Cooled Thermal lmaging Camera

No.KDG003
  • The KDG003 is a High-temperature Camera Equipped with an Air-cooled Dome housing
  • The temperature-measuring lens enables it to have a temperature measurement range of -20°C to 550°C, with a measurement accuracy of +2°C or +2% of the reading (whichever is larger).
  • High-temperature Resistant Air-water Cooled Thermal lmaging Camera

Description

Application Environment

  Metallurgical & Steel Industry 


Power Generation Industry


Petrochemical & Chemical Industry 


 Glass & Ceramic Industry


Waste Incineration & Environmental Protection

High-temperature resistant cameras are engineered to operate reliably in extreme thermal environments (typically -40°C to 1200°C, depending on models) where standard cameras fail due to overheating, component degradation, or structural damage. 

Main Features
Material Double-layer 304/316L Stainless Steel
Protection Class IP66
Working Temperature -10℃~+150℃C/+200℃(with refrigeration tube)
Working Humidity <95%(non-condensing)
Video IP
Thermal Resolution 384*288,640*512 etc
Pixel Size 17μm
Spectral Range 8~14μm
Comperssed Air Pressure 0.2~0.4Mpa
Compressed Air Flow Rate  0.3~0.7m³/min(0.7 m³/min at an air pressure of 0.4 MPa)
Temperature  Museurement Range -20°C to 150°C / 0°C to 550°C
Temperature Museurement accuracy ±2°C or ±2% of the reading(whichever is larger).
Voltage DC12V
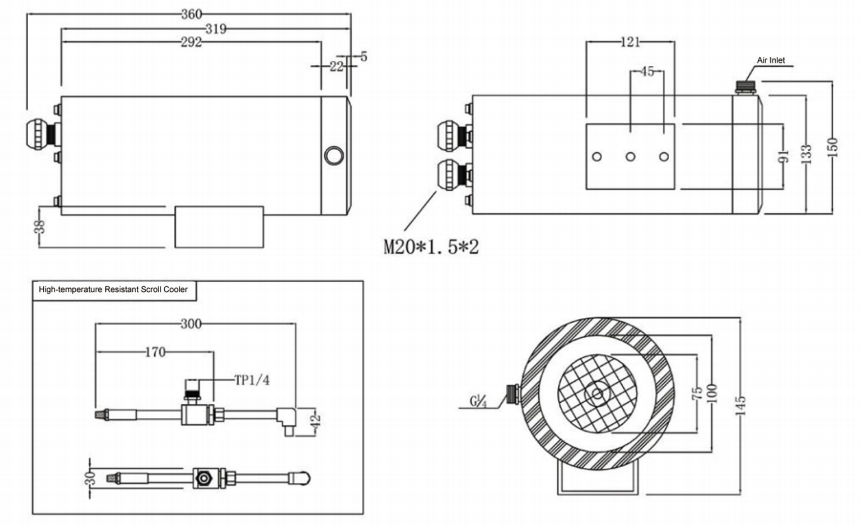
Dimensions 360*150*145mm
Weight ≤4.5kg
Mounting Stainless Steel Wall-mounted,Pole Installation, etc.

Dimensions

Download